
? 鷹牌EAGLE G-60T低型爪式千斤頂為日本今野制作所生產,屬于重工業級別起重頂升工具,爪載荷3噸頂載荷6噸,適用于高度有限的空間使用,現由煙臺開發區龍海起重工具有限公司授權代理。

鷹牌EAGLE G-60T低型爪式千斤頂介紹:
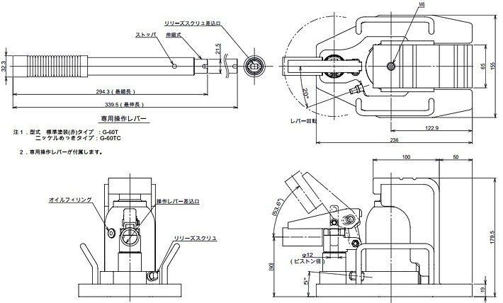
* 鷹牌EAGLE G-60T低型爪式千斤頂采用低型設計,本體高度180mm,可用于高度有限空間作業
* 鷹牌EAGLE G-60T低型爪式千斤頂可橫向使用,并可定制防靜電類型
* 鷹牌EAGLE G-60T低型爪式千斤頂設有旋轉式壓桿插座,狹窄間隙操作方便
* 鷹牌EAGLE G-60T低型爪式千斤頂主軸光滑,采用高強度鉻電鍍加工,不變形不漏油
* 鷹牌EAGLE G-60T低型爪式千斤頂設防超載安全閥和高度限位裝置,作業更安全

![]()
G-60T低型爪式千斤頂為日本EAGEL? JACK原裝進口產品,保質1年,我公司承諾凡是客戶在我公司訂購的進口類產品均為原裝正品,絕不存在拆件貨,換件貨,假冒品牌產品,凡客戶從我公司訂購日本EAGEL? JACK產品如收到貨物時發現有拆件貨,換件貨,假冒、假貨仿貨均以100倍金額賠償。
產品選型:
產品資料:
鷹牌EAGEL千斤頂中國區域授權代理(授權書)