
注:經日本TIRROLLER搬運小坦克制造商通知,該型號已停產

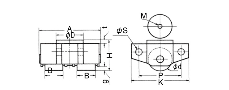
* TIRROLLER S搬運小坦克容易改變方向,用小小的力量就能夠移動物體的方向轉變。
* TIRROLLER S搬運小坦克可在混凝土路面、鋼板路面上使用
* TIRROLLER S搬運小坦克采用優質輪子,具備抗振性能,不損傷地面,可用于混凝土地面使用(不包括S-5SA和S-10SA)
*TIRROLLER S搬運小坦克高安全性,耐用的框架和易于維護的結構
* TIRROLLER S搬運小坦克帶有轉盤,轉盤易于在框架頂部改變方向
* TIRROLLER S搬運小坦克廣泛應用于高鐵橋梁架設、汽車制造、塑料機械、工業控制、公路、大件運輸、高架鋼結構、電抗器搬運、海上石油平臺等行業進行重型設備移運

TIRROLLER S搬運小坦克為日本TIRROLLER原裝進口產品,保質1年,我公司承諾凡是客戶在我公司定購的進口類產品均為原裝正品,絕不存在拆件貨,換件貨,假冒品牌產品,凡客戶從我公司訂購日本TIRROLLER產品如收到貨物時發現有拆件貨,換件貨,假冒、假貨仿貨均以100倍金額賠償。